.
Hybrid Synergy Drive
Hybrid Synergy Drive (HSD) is a set of hybrid car technologies developed by Toyota and used in that company's Prius, Highlander Hybrid, Camry Hybrid, Lexus RX 400h, Lexus GS 450h and Lexus LS 600h automobiles. It combines the characteristics of an electric drive and a continuously variable transmission (CVT), using electricity and transistors in place of toothed gears. The Synergy Drive is a drive-by-wire system with no direct mechanical connection between the engine and the engine controls: both the gas pedal and the gearshift lever in an HSD car merely send electrical signals to a control computer.
HSD is a refinement of the original Toyota Hybrid System (THS) used in the 1997–2003 Toyota Prius. As such it is occasionally referred to as THS II. The name was changed in anticipation of its use in vehicles outside the Toyota brand (Lexus).
When required to classify the transmission type of an HSD vehicle (such as in standard specification lists or for regulatory purposes), Toyota describes HSD-equipped vehicles as having E-CVT (Electronically-controlled Continuously Variable Transmission).
The ''Global Hybrid Cooperation'' (General Motors, DaimlerChrysler and BMW) Two-Mode-Hybrid System is similar in that it combines the power from a single engine and two electric motors. To contrast, Honda's Integrated Motor Assist uses a more traditional internal combustion engine and transmission where the flywheel is replaced with an electric motor.
Some early non-production plug-in hybrid electric vehicle conversions have been based on the version of HSD found in the 2004 and 2005 model year Prius. Early PBA conversions by CalCars have demonstrated 10 miles of ev-only and 20 miles of double mileage mixed-mode range. A company planning to offer conversions to consumers named EDrive systems will be using Valence Li-Ion batteries and have 35 miles of electric range. Both of these systems leave the existing HSD system mostly unchanged and could be similarly applied to other hybrid powertrain flavors by simply replacing the stock NiMH batteries with a higher capacity battery pack and of course a charger to refill them for about $0.03 per mile from standard household outlets. Another provider of a plug-in module for the Toyota Prius is Hymotion.
Theory of operation
HSD replaces a normal geared transmission with an electronic system. All car powertrains drive a driveshaft that turns the drive wheels of the car. Because an internal combustion engine delivers energy best only over a small range of torque and speed the crankshaft of the engine is usually attached to a switchable gear train that matches the needed torque at the wheels to the torque that can be delivered by the engine.
HSD replaces the gear box, alternator and starter motor with a pair of electrical motor-generators, a computerized shunt system to control them, a mechanical power splitter that acts as a second differential, and a battery pack that serves as an energy reservoir. A motor-generator is a transducer that converts electricity to motion or vice-versa. The mechanical connections of the system allow the computer to convert mechanical power from the engine between three forms: extra torque at the wheels (under constant rotation speed), extra rotation speed at the wheels (under constant torque), and electricity. This achieves the benefits of a continuously variable transmission, except that the torque/speed conversion uses electricity rather than direct mechanical connection. A HSD car cannot operate without the computer and both motor-generators, though in principle it could operate while missing either the battery pack or the gasoline engine (but not both). In practice, HSD cars can be driven several miles while out of gas, as an emergency measure to get to a gas station.
One of the motor-generators (MG2 in Toyota manuals; sometimes called "MG-T" for "Torque") is mounted on the driveshaft, and thus couples torque into or out of the driveshaft: feeding electricity into MG2 adds torque at the wheels. The engine end of the driveshaft has a second differential; one leg of this differential is attached to the gasoline engine and the other leg is attached to a second motor generator (MG1 in Toyota manuals; sometimes "MG-S" for "Speed"). The differential ensures that the rotation speed of the wheels is the sum of the rotation speeds of the engine and MG1, so MG1 is used to change the wheel (or engine) speed. In Prius models, the differential is an epicyclic sun gear design, and the two motor generators and differential are all contained in a single housing that is bolted to the engine. Special couplings and sensors monitor rotation speed of each shaft and the total torque on the driveshaft, for feedback to the control computer.
The drive works by shunting electrical power between the two motor generators and the battery pack to even out load on the gasoline engine. Because a power boost is available for periods of acceleration, the gasoline engine can be sized to match only the average load on the car, rather than the peak load on the car: this saves fuel because smaller engines are more power efficient. Furthermore, during normal operation the gasoline engine can be operated at its ideal speed and torque level for power, economy, or emissions, with the battery pack absorbing or supplying power as appropriate to balance the demand placed by the driver.
Phases of operation
The HSD operates in distinct phases depending on speed and demanded torque. Here are a few of them:
- Engine Start: MG1 is fed negative voltage, so that it attempts to drive the wheels backwards. The wheel torque is canceled by a forward voltage fed to MG2. Because the differential forces the speed of the wheels (zero) to be the sum of the speeds of MG1 and the engine, the engine is forced into forward motion. Because both motor generators are sized to drive the entire car, turning the engine does not stress the motors and the conventional starter motor sound is not heard: engine start is silent.
- Low gear: When accelerating from a stop in normal operation, the engine turns much more rapidly than the wheels, but does not develop as much torque as is needed. MG1 is forced rapidly backwards, and the computer pulls electricity from MG1. The electricity is shunted to MG2, adding torque at the driveshaft, so that the drive train develops power at low speed and high torque.
- High Gear: When cruising at high speed, the engine turns more slowly than the wheels, but develops more torque than is needed. The computer pulls electricity from MG2, reducing the torque available at the wheels. The electricity is shunted to MG1, which boosts the speed of the driveshaft. Because the engine supplies mechanical energy to the whole system, conservation of energy is not violated: the power that is shunted from MG2 to MG1 is less than the total power developed by the engine, and so power is delivered to the wheels.
- Reverse Gear: There is no reverse gear as in a conventional gearbox: the computer feeds negative voltage to MG2, applying negative torque to the wheels. Early models did not supply enough torque for some situations: there have been reports of early Prius owners not being able to back the car up steep hills in San Francisco. The problem has been fixed in recent models. If the battery is low, the system can simultaneously run the engine and draw power from MG1, although this will reduce available reverse torque at the wheels.
- Silent Operation: At slow speeds and moderate torques the HSD can drive without running the gasoline engine at all: electricity is supplied only to MG2, allowing MG1 to rotate freely (and thus decoupling the engine from the wheels). Provided that there is enough battery power, the car can be driven in this silent mode for some miles even without gasoline.
- Neutral Gear: Most places require automotive transmissions to have a neutral gear that decouples the engine and transmission. The HSD "neutral gear" is achieved by breaking the electrical connection to both MG1 and MG2. Under this condition, MG1 is free running and no torque can be delivered to the wheels (MG1 rotates backwards when the engine rotates forward).
- Regenerative Braking: by drawing power from MG2 and depositing it into the battery pack, the HSD can simulate normal compression braking while saving the power for future boost. The Prius has a special transmission setting labelled 'B' (for Brake), that takes the place of a conventional automatic transmission's 'L' setting for engine braking on hills. If the battery is full, the Prius switches to conventional compression braking, drawing power from MG2 and shunting it to MG1 to drive the engine rapidly forward. The regenerative brakes in a HSD system absorb a significant amount of the normal braking load, so the conventional brakes on a Prius are undersized compared to brakes on a conventional car of similar mass.
- Electric Boost: The battery pack provides a reservoir of energy that allows the computer to match the demand on the engine to a predetermined optimal load curve, rather than operating at the torque and speed demanded by the driver and road. The computer manages the energy level stored in the battery, so as to have capacity to absorb extra energy where needed or supply extra energy to boost engine power.
- Battery Charging: The HSD can charge its battery without moving the car, by running the engine and extracting electrical power from MG1. The power gets shunted into the battery, and no torque is supplied to the wheels.
Performance
The Toyota Prius has decent, but not sport-car-like, acceleration but has extremely high mileage for a mid sized four-door sedan: 45 mpg (US) is typical of brief city jaunts; 55 mpg is not uncommon, especially for extended drives (which allow the engine to warm up fully). This is about twice the fuel efficiency of a similarly equipped four-door sedan with a conventional power train. Not all of the extra efficiency of the Prius is due to the HSD system: the Atkinson cycle engine itself was also designed specifically to minimize engine drag with an offset crankshaft to minimize piston drag during the power stroke, and a unique intake system to prevent drag caused by manifold vacuum versus the normal Otto cycle in most engines.
The Toyota Highlander Hybrid (also sold as the Kluger in some countries) offers superior performance compared to its non-hybrid version. The hybrid version goes from 0–60 in 7.2 seconds, trimming almost a second off the conventional version's time. Net hp is 268 hp compared with to the conventional 215 hp. Top speed for all Highlanders are limited to 112 mph. Typical fuel econnomy for the Highlander rates between 27 and 31 mpg. A conventional Highlander is rated by the EPA with 19 city, 25 highway mpg.
Ford has independently developed their own hybrid technology which works basically identically to HSD. Currently it is offered in an SUV, the Ford Escape, though a hybrid Ford Edge and Ford Fusion will be released in the future. The four-cylinder hybrid Escape achieves an impressive increase in mileage, to 28–32 mpg.
There have been reports in the press of hybrid power trains not living up to fuel efficiency claims. This is due in part to the sensitivity of hybrid mileage to driving style. The mileage boost depends on using the gasoline engine as efficiently as possible, which requires:
- extended drives, especially in winter: HSD cars such as the Prius do not shut off the gasoline engine until the oil temperature reaches a set point. Brief drives do not allow the engine to warm up, burning extra fuel per mile traveled
- moderate acceleration: Because hybrid cars can throttle back or completely shut off the engine during moderate, but not rapid, acceleration, they are more sensitive than conventional cars to driving style. Hard acceleration forces the engine into a high-power state while moderate acceleration keeps the engine in a lower power, high efficiency state (augmented by battery boost).
- gradual braking: Regenerative brakes re-use the energy of braking, but cannot absorb energy as fast as conventional brakes. Gradual braking recovers energy for re-use, boosting mileage; hard braking wastes the energy as heat, just as for a conventional car.
Most HSD systems have batteries that are sized for maximal boost during a single acceleration from zero to the top speed of the vehicle; if there is more demand, the battery can be completely exhausted, so that this extra torque boost is not available. Then the system reverts to just the power available from the engine. This is a big difference in performance: an early-model Prius can achieve over 90 mph on a 6 degree upward slope, but after about 2,000 feet of altitude climb the battery is exhausted and the car can only achieve 55–60 mph on the same slope (until the battery is recharged by driving under less demanding circumstances).
Development
The basic design of the Toyota Hybrid System / Hybrid Synergy Drive has not changed since its introduction in the 1997 Japanese-market Toyota Prius, but there have been a number of refinements.
The original Prius used shrink-wrapped 1.2 volt D cells; all subsequent THS/HSD vehicles have used custom 7.2 V battery modules mounted in a carrier. There has been a continuous, gradual improvement in specific capacity.
The Toyota Hybrid System relied on the voltage of the battery pack — between 276 and 288 V. The Hybrid Synergy Drive adds a DC–DC converter boosting the potential of the battery to 500 V or more. This allows smaller battery packs to be used, and more powerful motors.
Although not part of the HSD as such, all HSD vehicles from the 2004 Prius onwards have been fitted with an electric air-conditioning compressor, instead of the conventional engine-driven type. This removes the need to continuously run the engine when cabin cooling is required.
Vehicles such as the Lexus RX 400h and Toyota Highlander Hybrid added four-wheel drive operation by the addition of a third electric motor ("MGR") on the rear axle. In this system, the rear axle is purely electrically powered, and there is no mechanical link between the engine and the rear wheels. This also permits regenerative braking on the rear wheels. In addition, the Motor (MG2) is linked to the front wheel transaxle by means of a second planetary gearset, thereby making it possible to increase the power density of the motor.
Ford Motor Company has developed a similar hybrid system, introduced in the Ford Escape Hybrid.
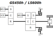
The latest addition to the family of Hybrid Synergy Drivetrains is used in the Lexus GS 450h and Lexus LS 650h. This system uses two clutches (or brakes) to switch the second motors gear ratio to the wheels between a ratio of 3.9 and 1.9, for low and high speed driving regimes respectively. This decreases the power flowing from MG1 to MG2 (or vice versa) during higher speeds. The electrical path is only about 70% efficient, thus decreasing the power flow there increases the overall performance of the transmission. The second planetary gearset is extended with a second carrier and sun gear to a ravigneaux-type gear with 4 shafts, two of which can be hold still alternatively by a brake/clutch.
List of vehicles with HSD
- Toyota Prius
- with THS: December 1997–October 2003
- with HSD: October 2003–
- Lexus RX 400h Hybrid (March 2005–)
- Toyota Highlander Hybrid (July 2005–)
- Toyota Camry Hybrid (May 2006–)
- Lexus GS 450h (May 2006–)
- Lexus LS 600h (2007–)



